IKUT KAMI:

Produk
Suis Cam Rotary Gabungan 10A 1.7kw
  • Suis Cam Rotary Gabungan 10A 1.7kwSuis Cam Rotary Gabungan 10A 1.7kw
  • Suis Cam Rotary Gabungan 10A 1.7kwSuis Cam Rotary Gabungan 10A 1.7kw
  • Suis Cam Rotary Gabungan 10A 1.7kwSuis Cam Rotary Gabungan 10A 1.7kw

Suis Cam Rotary Gabungan 10A 1.7kw

Yaming, dengan lebih 30 tahun pengalaman industri, ialah pengeluar suis elektrik profesional dan pembekal yang boleh dipercayai dari China. Suis Cam Rotary Kombinasi 10A kami 1.7kW (siri HZ5) menyediakan penyelesaian kawalan litar yang stabil, cekap dan boleh disesuaikan untuk aplikasi industri dan elektrik. Suis ini, terima kasih kepada ketukangan yang canggih, teknologi canggih dan kawalan kualiti yang ketat, membolehkan pensuisan manual yang selamat, kawalan motor dan fungsi pensuisan litar, dan disokong oleh sistem pengeluaran kilang dalaman kami untuk jaminan yang teguh.

Yaming ialah peneraju yang dipercayai dalam bidang komponen elektrik, menggabungkan dekad pengalaman profesional dengan sistem kualiti yang ketat. Suis Cam Rotary Kombinasi 10A kami 1.7kW direka untuk kawalan litar yang boleh dipercayai, jarang dan operasi motor kecil. Sebagai pengilang profesional yang beribu pejabat di China, kami memastikan prestasi produk yang stabil dan bekalan yang boleh dipercayai untuk pelanggan global kami.


Parameter Teknikal dan Senario Aplikasi


1. Litar Berkenaan: AC 50Hz, voltan undian sehingga 380V AC, 240V DC, arus undian sehingga 63A

2. Fungsi Teras: Pensuisan litar manual, pemotongan, kawalan dan penukaran

3. Suis Cam Rotary Kombinasi 10A 1.7kW boleh mengawal terus motor AC berkapasiti kecil, menyokong kawalan utama, pengukuran litar dan peraturan kelajuan motor.

4. Sesuai untuk pengagihan kuasa, kawalan mekanikal dan senario penukaran sistem elektrik


Ciri Teras Produk


1. Prestasi Stabil: Struktur tahan lama dan reka bentuk hubungan yang boleh dipercayai, hayat perkhidmatan yang panjang

2. Keserasian Luas: Suis Cam Rotary Kombinasi 10A 1.7kW menyokong pelbagai aras voltan dan jenis litar.

3. Operasi Fleksibel: Pensuisan manual, jarang, sesuai untuk senario kawalan harian.

4. Reka Bentuk Boleh Disesuaikan: Kedudukan suis dan nombor tiang boleh disesuaikan mengikut keperluan pelanggan tertentu.

5. Pengeluaran Jaminan Kualiti: Dikilangkan sepenuhnya di kilang termaju kami, menjalani ujian yang ketat.


Nilai dan Perkhidmatan


Yaming menyediakan penyelesaian kawalan yang stabil, cekap dan boleh disesuaikan untuk pelbagai aplikasi elektrik. Dengan keupayaan pengeluaran rantaian penuh dan sokongan teknikal profesional, suis sesondol putar yang kami berikan menggabungkan kebolehpercayaan, keselamatan dan keberkesanan kos.



Aplikasi Produk


Parameter Teknikal



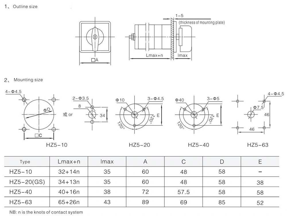
Saiz pemasangan saiz garis besar produk


Teg Panas: Suis Cam Rotary Kombinasi 10A 1.7kw China, Pengilang, Pembekal, Kilang
Hantar Pertanyaan
Maklumat Hubungan
Jika anda mempunyai sebarang pertanyaan tentang petikan atau kerjasama, sila e-mel atau gunakan borang pertanyaan berikut. Wakil jualan kami akan menghubungi anda dalam masa 24 jam.
X
Kami menggunakan kuki untuk menawarkan anda pengalaman menyemak imbas yang lebih baik, menganalisis trafik tapak dan memperibadikan kandungan. Dengan menggunakan tapak ini, anda bersetuju dengan penggunaan kuki kami. Dasar Privasi
Tolak Terima