IKUT KAMI:

Produk
Suis Cam Rotary Gabungan 20A 4kw
  • Suis Cam Rotary Gabungan 20A 4kwSuis Cam Rotary Gabungan 20A 4kw

Suis Cam Rotary Gabungan 20A 4kw

Yaming, dengan lebih 30 tahun pengalaman industri, melancarkan Suis Cam Rotary Kombinasi 20A 4kW, menyediakan penyelesaian kawalan yang stabil, cekap dan boleh disesuaikan untuk pelbagai litar. Sebagai pengilang profesional yang berakar umbi di China, kami bergantung pada keupayaan teknikal kami yang kukuh dan sistem pengurusan kualiti yang ketat, bermula dari kemudahan pengeluaran termaju kami, untuk menyediakan produk suis yang boleh dipercayai kepada pelanggan industri di seluruh dunia, menjadi pembekal yang dipercayai.

Zhejiang Yaming Electric mempunyai lebih 30 tahun pengalaman profesional dalam industri elektrik. Dengan keupayaan teknikal yang kukuh dan sistem pengurusan kualiti yang ketat, ia telah menjadi pembekal suis elektrik yang boleh dipercayai dan terkemuka. Asas korporat kami yang kukuh menyediakan rakan kongsi global dengan prestasi produk yang stabil dan jaminan bekalan yang boleh dipercayai.


Mengintegrasikan proses pembuatan yang canggih dan teknologi canggih, Yaming dengan bangganya melancarkan Suis Cam Rotary Kombinasi 20A 4kW. Produk yang direka dengan teliti ini menggabungkan ketahanan dan fleksibiliti operasi, menyediakan penyelesaian kawalan yang stabil, cekap dan tersuai untuk pelbagai aplikasi litar.


Spesifikasi Teknikal


Suis Cam Rotary Kombinasi 20A 4kW tergolong dalam siri suis gabungan HZ5. Spesifikasi teknikal utamanya adalah seperti berikut: Litar yang berkenaan ialah AC 50Hz; voltan operasi berkadar: maksimum AC 380V, maksimum DC 240V; nilai semasa: maksimum 63A; kuasa undian: 4kW; arus terkadar untuk model ini ialah 20A.


Aplikasi Utama


Suis Cam Rotary Kombinasi 20A 4kW sesuai untuk pensuisan dan kawalan litar manual dan jarang. Aplikasi biasa termasuk kawalan langsung motor AC berkapasiti kecil, digunakan sebagai kawalan utama dan peranti pengukuran litar, peraturan kelajuan motor, dan pensuisan dan penukaran litar am dalam pelbagai peralatan elektrik.


Ciri-ciri Produk


Suis Cam Rotary Kombinasi 20A 4kW menawarkan prestasi yang stabil dan pelbagai aplikasi, sesuai untuk pelbagai senario perindustrian dan komersial. Ia serasi dengan voltan dan piawaian semasa yang diiktiraf secara global, memudahkan penggunaan global. Ia menyokong sambungan dan pemotongan litar manual, jarang kerap, membenarkan kawalan terus motor AC berkapasiti kecil dan kawalan pelbagai fungsi. Perkhidmatan penyesuaian juga tersedia, dengan julat suis dan nombor tiang disesuaikan sepenuhnya untuk memenuhi keperluan pelanggan tertentu.


Aplikasi Produk



Parameter Teknikal



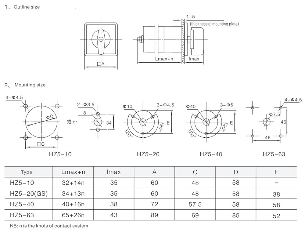
Saiz pemasangan saiz garis besar produk


Teg Panas: Suis Cam Rotary Kombinasi 20A 4kw China, Pengilang, Pembekal, Kilang
Hantar Pertanyaan
Maklumat Hubungan
Jika anda mempunyai sebarang pertanyaan tentang petikan atau kerjasama, sila e-mel atau gunakan borang pertanyaan berikut. Wakil jualan kami akan menghubungi anda dalam masa 24 jam.
X
Kami menggunakan kuki untuk menawarkan anda pengalaman menyemak imbas yang lebih baik, menganalisis trafik tapak dan memperibadikan kandungan. Dengan menggunakan tapak ini, anda bersetuju dengan penggunaan kuki kami. Dasar Privasi
Tolak Terima