IKUT KAMI:

Produk
Suis Cam Rotary Gabungan 20A 4kw Dengan Shell

Suis Cam Rotary Gabungan 20A 4kw Dengan Shell

Dengan lebih 30 tahun pengalaman industri, Yaming telah melancarkan Suis Cam Rotary Kombinasi 20A yang boleh dipercayai 4kW Dengan Shell, direka untuk kawalan litar yang stabil dan cekap. Memanfaatkan proses pembuatan termaju dan sistem kualiti yang ketat, suis siri HZ5 ini sesuai untuk pelbagai senario industri, menyokong konfigurasi tersuai dan merupakan pilihan yang dipercayai untuk pembeli global.

Zhejiang Yaming Electric, dengan lebih 30 tahun pengalaman industri, adalah pembekal terkemuka dan boleh dipercayai dalam bidang suis elektrik, memiliki keupayaan teknikal yang kukuh dan sistem kualiti yang ketat. Sebagai pengilang profesional yang berakar umbi di China, kami menyepadukan proses pembuatan yang canggih dan teknologi canggih untuk mencipta komponen kawalan berprestasi tinggi untuk pelanggan global. Suis Cam Rotary Kombinasi 20A 4kW Dengan Shell menyediakan penyelesaian kawalan yang stabil, cekap dan tersuai untuk pelbagai aplikasi litar, menunjukkan prestasi cemerlang dan kebolehsuaian yang tinggi dalam pelbagai senario perindustrian dan elektrik.


Spesifikasi Teknikal


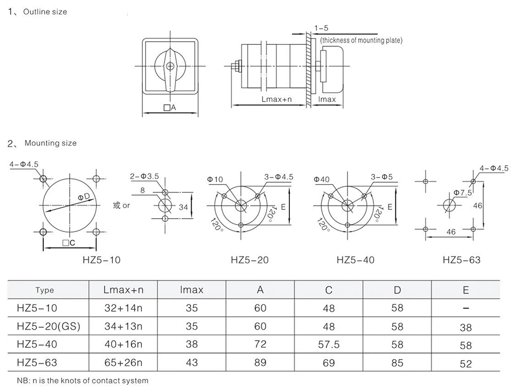
Suis Cam Rotary Kombinasi 20A 4kW dengan Shell ini sesuai untuk sistem litar AC 50Hz. Kepunyaan siri HZ5, voltan operasi terkadarnya boleh mencapai sehingga 380V AC dan 240V DC, dan arus undiannya boleh mencapai sehingga 63A. Model khusus ialah 20A 4kW dengan penutup pelindung.


Aplikasi Utama


Suis Cam Putar Gabungan 20A 4kW dengan Shell ini sesuai untuk operasi pensuisan litar manual dan sekali-sekala, membolehkan kawalan litar dan fungsi pensuisan. Ia juga boleh terus memacu motor AC berkapasiti kecil, berfungsi sebagai kawalan utama dan peranti pengukuran litar, dan menyokong peraturan kelajuan motor.


Ciri-ciri Produk


Suis Cam Rotary Kombinasi 20A 4kW Dengan Shell ini direka untuk litar AC 50Hz dan serasi dengan grid kuasa industri standard. Ia mengekalkan prestasi yang stabil di bawah voltan undian sehingga 380V AC dan 240V DC, dan arus undian sehingga 63A. Ia menyokong pensuisan, kawalan dan penukaran litar secara manual, sekali-sekala, dan boleh mengendalikan motor AC berkapasiti kecil secara langsung, membolehkan kawalan utama, pengukuran litar dan peraturan kelajuan. Penyelesaian penyesuaian yang komprehensif juga tersedia, dengan nombor tiang dan tetapan kelajuan yang disesuaikan dengan keperluan pelanggan.


Aplikasi Produk



Parameter Teknikal



Saiz pemasangan saiz garis besar produk


Kenapa Pilih Yaming?


Sebagai pembekal yang boleh dipercayai dengan kemudahan pembuatannya sendiri, Yaming memastikan kualiti yang konsisten, penghantaran tepat pada masa dan penyesuaian yang fleksibel untuk setiap pesanan. Suis Cam Rotary Kombinasi 20A kami 4kW Dengan Shell menggabungkan keselamatan, ketahanan dan serba boleh untuk memenuhi pelbagai keperluan sistem elektrik moden.


Teg Panas: Suis Cam Rotary Kombinasi 20A 4kw Dengan Shell China, Pengilang, Pembekal, Kilang
Hantar Pertanyaan
Maklumat Hubungan
Jika anda mempunyai sebarang pertanyaan tentang petikan atau kerjasama, sila e-mel atau gunakan borang pertanyaan berikut. Wakil jualan kami akan menghubungi anda dalam masa 24 jam.
X
Kami menggunakan kuki untuk menawarkan anda pengalaman menyemak imbas yang lebih baik, menganalisis trafik tapak dan memperibadikan kandungan. Dengan menggunakan tapak ini, anda bersetuju dengan penggunaan kuki kami. Dasar Privasi
Tolak Terima