IKUT KAMI:

Produk
Suis Cam Rotary Gabungan 63A
  • Suis Cam Rotary Gabungan 63ASuis Cam Rotary Gabungan 63A
  • Suis Cam Rotary Gabungan 63ASuis Cam Rotary Gabungan 63A

Suis Cam Rotary Gabungan 63A

Dengan lebih 30 tahun pengalaman industri, YAMING (Zhejiang Yaming Electric) memanfaatkan keupayaan teknikalnya yang kukuh dan kawalan kualiti yang ketat untuk mencipta Suis Cam Rotary Kombinasi HZ5 siri 63A. Produk ini serasi dengan sistem AC 50Hz, dengan voltan terkadar 380V AC/240V DC dan arus 63A. Ia mempunyai prestasi yang stabil dan cekap, pilihan penyesuaian penuh, dan boleh melaksanakan fungsi pensuisan litar dan pemacu motor. Sebagai pengilang profesional yang berasal dari China, YAMING ialah pembekal suis elektrik yang dipercayai untuk pelanggan di seluruh dunia.

YAMING telah terlibat secara mendalam dalam bidang suis elektrik selama lebih 30 tahun, menjadi peneraju yang dipercayai dalam industri melalui pengalaman yang kukuh dan kawalan kualiti yang ketat. Sebagai pengilang yang berakar umbi di China, kami mengawal kualiti produk dengan ketat sepanjang keseluruhan proses untuk memastikan keselamatan dan kebolehpercayaan Suis Cam Rotary Kombinasi 63A kami. Kilang kami dilengkapi dengan peralatan canggih dan pasukan profesional, membolehkan pengeluaran berskala besar, halus dan tindak balas pantas terhadap permintaan pasaran. Dengan kekuatan profesional kami, kami telah menjadi pembekal yang dipercayai untuk pelanggan di seluruh dunia.


Parameter Teras Produk


Parameter teras YAMING 63A Combination Rotary Cam Switch (Siri HZ5) telah menjalani ujian yang ketat dan sesuai untuk pelbagai senario, seperti yang diperincikan di bawah:


- Sistem Berkenaan: Direka khusus untuk sistem AC 50Hz, serasi dengan senario DC, menawarkan kebolehsuaian yang luas;


- Parameter Dinilai: Voltan terkadar sehingga 380V AC/240V DC, arus 63A, kapasiti galas beban yang kuat;


- Ciri Teras: Struktur sesondol termaju, operasi lancar, memastikan pensuisan litar stabil dan menghapuskan gangguan isyarat.


Fungsi Teras


- Kawalan Litar: Membolehkan pensuisan, kawalan dan penukaran litar terputus-putus manual, dengan operasi yang mudah;


- Pemacu Motor: Boleh terus memacu motor AC kecil, memudahkan susun atur dan mengurangkan kos;


- Kebolehsuaian Komprehensif: Menggabungkan fungsi kawalan dan pemeteran utama, menyokong peraturan kelajuan motor;


- Perkhidmatan Penyesuaian: Bilangan tiang dan gear boleh disesuaikan untuk memenuhi keperluan individu.


Senario Berkenaan


Suis Cam Rotary Kombinasi 63A ini digunakan secara meluas dalam automasi industri, peralatan elektrik dan bidang lain. Ia serasi dengan peralatan mesin, pam air dan peralatan lain, memenuhi kedua-dua keadaan operasi komersil dan industri yang kompleks, dan merupakan penyelesaian pensuisan berprestasi tinggi, kos efektif.


Kelebihan Produk


1. Kelebihan Teknologi: Mengintegrasikan lebih 30 tahun pengumpulan teknologi, komponen berkualiti tinggi digabungkan dengan proses lanjutan memastikan kestabilan, ketahanan dan jangka hayat yang panjang.


2. Kelebihan Kualiti: Kawalan kualiti yang ketat sepanjang keseluruhan proses menghapuskan produk substandard, memastikan kualiti yang boleh dipercayai.


3. Kelebihan Penyesuaian: Menyokong penyesuaian penuh, padanan tepat senario pelanggan dan keperluan parameter.


4. Kelebihan Perkhidmatan: Memanfaatkan rantaian bekalan yang lengkap dan pasukan profesional di China, ia menyediakan sokongan teknikal yang tepat pada masanya dan jaminan selepas jualan.


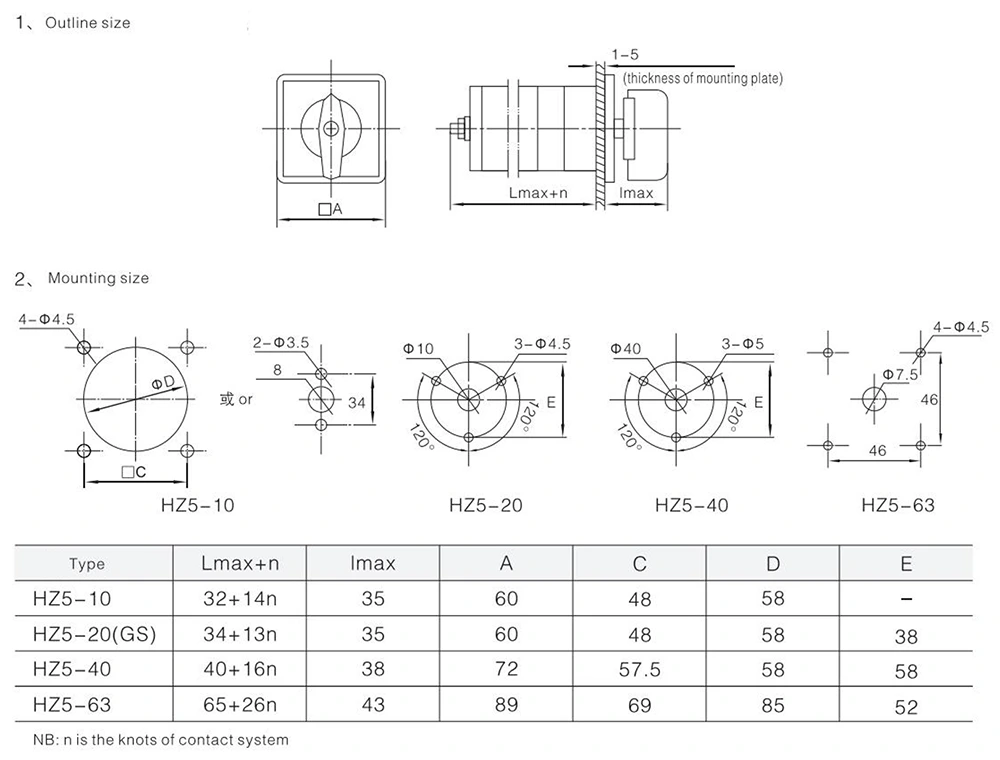
Saiz pemasangan saiz garis besar produk



Komitmen Jenama


Sebagai pengeluar China tempatan, YAMING komited kepada "profesionalisme, kebolehpercayaan dan inovasi." Dengan pengalaman lebih 30 tahun, keupayaan kilang termaju dan kawalan kualiti yang ketat, YAMING menyediakan produk dan penyelesaian berkualiti tinggi kepada pelanggan global, berusaha untuk menjadi rakan kongsi yang dipercayai jangka panjang.



Teg Panas: Suis Cam Rotary Kombinasi 63A China, Pengilang, Pembekal, Kilang
Hantar Pertanyaan
Maklumat Hubungan
Jika anda mempunyai sebarang pertanyaan tentang petikan atau kerjasama, sila e-mel atau gunakan borang pertanyaan berikut. Wakil jualan kami akan menghubungi anda dalam masa 24 jam.
X
Kami menggunakan kuki untuk menawarkan anda pengalaman menyemak imbas yang lebih baik, menganalisis trafik tapak dan memperibadikan kandungan. Dengan menggunakan tapak ini, anda bersetuju dengan penggunaan kuki kami. Dasar Privasi
Tolak Terima